网站首页
关于我们
新闻中心
产品中心
3D选型库
联系我们
产品中心
气源处理元件
控制元件
执行元件
辅助元件
液压元件
锂电行业专用
网站首页
产品中心
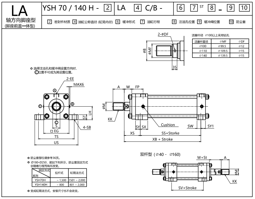
液压 YSH70-140用LA
产品特性
产品规格
型号表示
功能符号