网站首页
关于我们
新闻中心
产品中心
3D选型库
联系我们
产品中心
气源处理元件
控制元件
执行元件
辅助元件
液压元件
锂电行业专用
网站首页
产品中心
YAC50B-N
产品特性
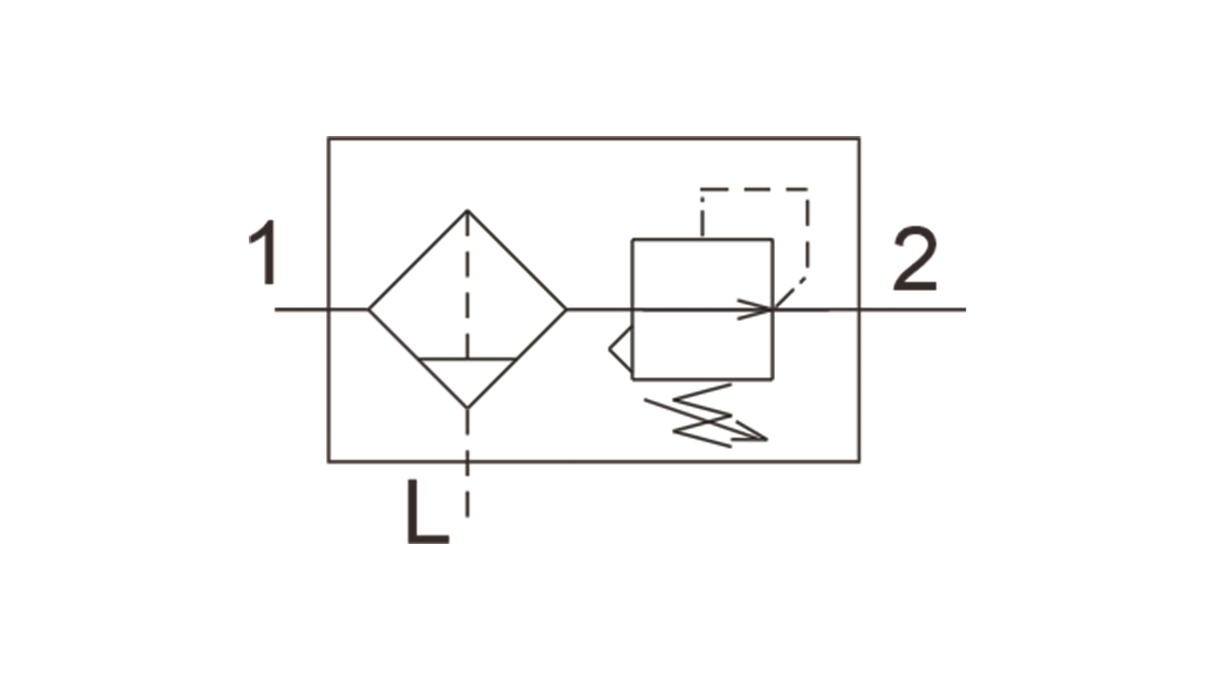
Model(型号):YAC50B-N
Components(组成零件):Filter(空气过滤器) YAF50-N
Regulator(减压阀) YAR50-N
Pipe Size(接管口径):3/4,1
Pipe Size Gauge(压力表G40接管口径)(YAR):1/8
Fluid(使用流体):Clean Air (洁净空气)
Amb.&Media Temp(环境及流体温度):-5~60℃(未冻结)
Proof Press.(保证耐压力):1.5MPa
Max Press.(最高使用压力):1.0MPa
Press.Range(压力范围)(YAW):0.05~0.85MPa
产品规格
Filteration(过滤精度)(YAF):5µm
Bowl Material(杯体材质)(YAF):Porycarbonate(聚碳酸酯)
Bowl Guide(杯保护罩)(YAF): Standard Equipment(Metal)(标准配备(金属))
Value Type(阀型)(YAR):Over Flow(溢流型)
Weight(质量)(kg):2.27
型号表示
功能符号